热门搜索: 阿童木 机器人 D3P D3PM D4 D5 S6
首页> 产品中心 > 并联机器人

D5-P-1600-P25

高速度 高精度 高稳定性
产品介绍

5轴机器人在传统三轴并联机器人基础上,增加两根平行旋转轴,通过一轴控制水平转动,另一轴控制垂直方向旋转;两中间轴采用伺服耦合控制,具备更高的精度,更快的速度,更长的使用寿命。

产品特点

1、具备3+2自由度,轻松满复杂摆放场景

2、标准循环时间小于0.5s,满足追求最高速度和最小体积需求

3、特殊旋转轴铰链设计,轻松应对高强度高频次重复运动需求

4、非常适于狭小空间内作业、3C制造等行业的高速高精密生产作业,主要用于小型工件的装配、搬运、检测等

立即咨询
双轴驱动实现平抓翻转的性能之王

产品详细参数

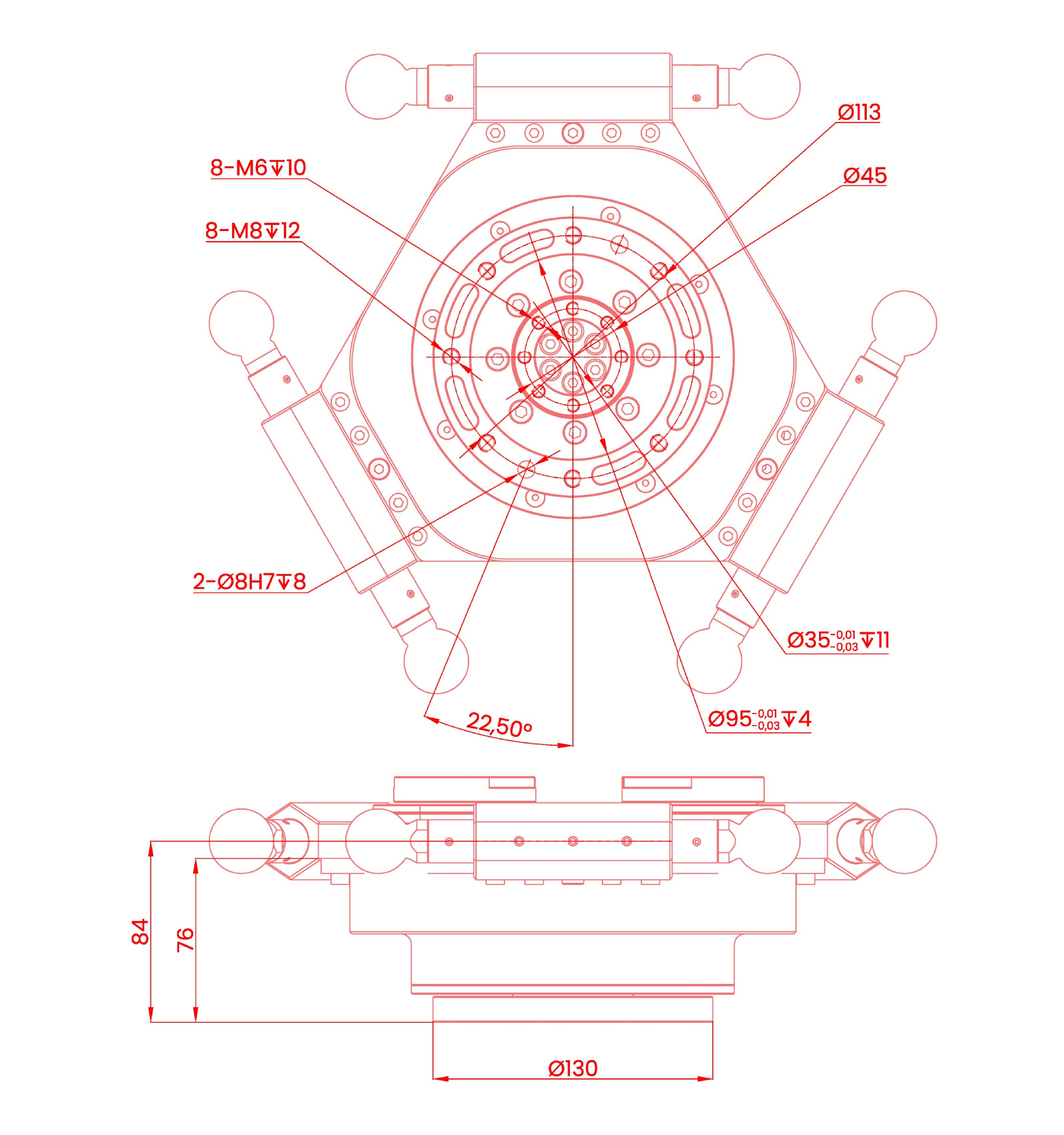
产品图纸

  • 01.外形尺寸及运动范围(mm)

  • 02.法兰(mm)

  • 03.基座安装(mm)