热门搜索: 阿童木 机器人 D3P D3PM D4 D5 S6
首页> 产品中心 > 并联机器人

D3P-1100-P8

高速度 高精度 高稳定性 重负载
产品介绍

经典高速并联机器人构型,具有沿三维空间XYZ轴平动和绕Z轴旋转的功能特点,通过搭配高精度机器视觉系统,适于食品、医药等行业的高速生产作业,主要用于轻小散乱物料的装配、搬运、分拣等。

产品特点

1、标准循环时间小于0.6s,满足追求最高负载和最经济需求

2、特殊旋转轴铰链设计,轻松应对高强度高频次重复运动需求

3、非常适于食品、医药等行业的高速生产作业,主要用于较重型物料的装配、搬运、分拣等

立即咨询
经典高速重载并联机器人

产品详细参数

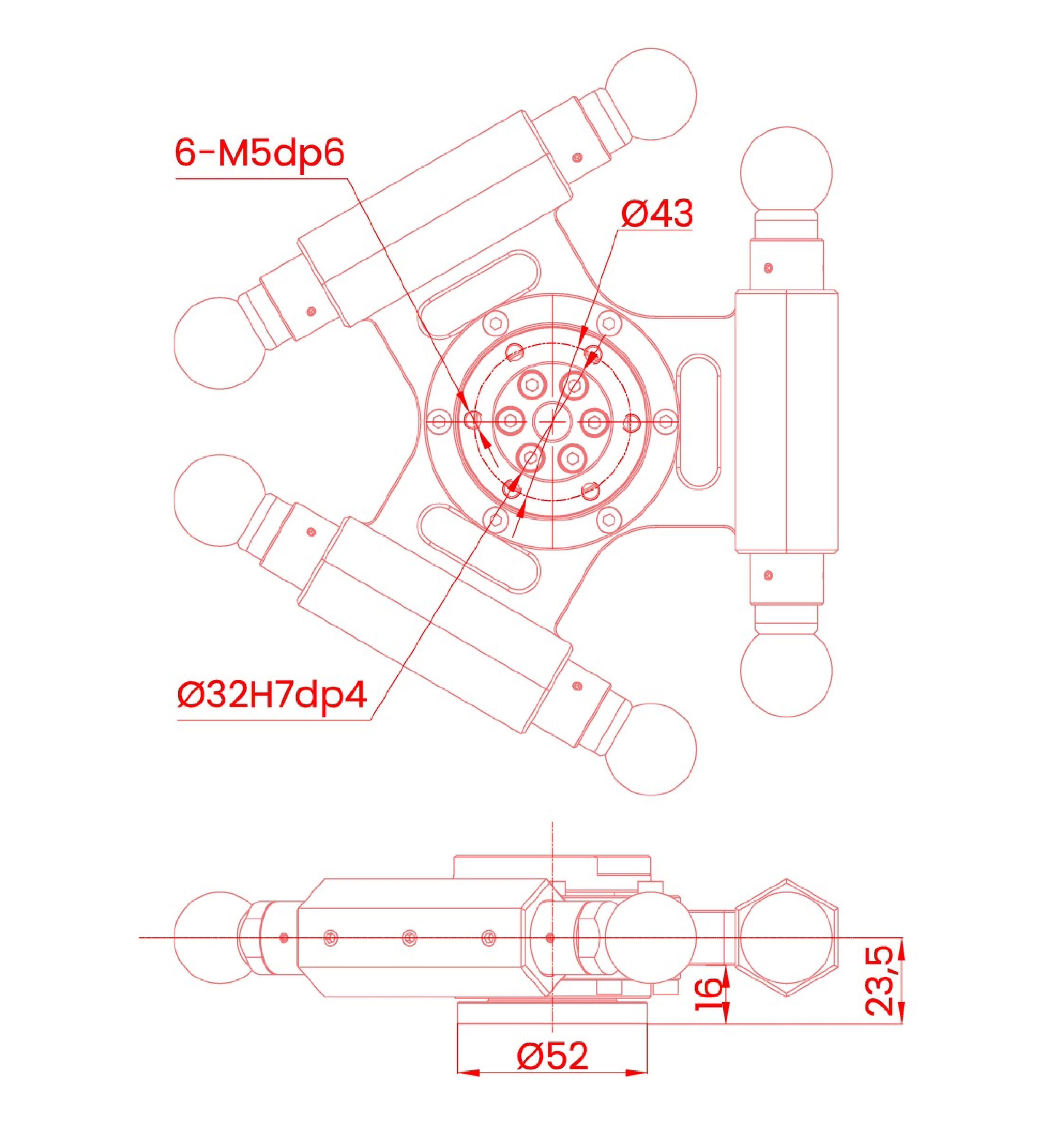
产品图纸

  • 01.外形尺寸及运动范围(mm)

  • 02.法兰(mm)

  • 03.基座安装(mm)

详情了解D3P-1100-P8

D3P-1100-P8